東晟產品分類
- 華為手機
注塑機是制造塑料制品(手機密封件)的核心設備,通過..
- 天鍛壓力機
深度剖析天鍛壓力機在液壓缸密封件(耐壓70MPa)、萬..
- 格力集團(格力空調)
格力電器作為綜合性家電企業,其空調、冰箱、壓縮機..
- 三一重工
三一重工股份有限公司,三一重工,機械密封件全液壓壓..
- 汽車減震器Y形密封圈耐油性測試技術規范?
- 在汽車減震器密封系統中,Y形密封圈的耐油性直接影響液壓油封存效果與部件使用..
- 氟塑料制品在光伏產業中的創新應用!
- 隨著全球光伏裝機量突破1TW大關,?氟塑料制品?作為關鍵封裝材料正經歷技術革..
- 行業?:鐵路液壓制動密封件抗震動,故障率降低8..
- 在高速鐵路制動系統中,液壓密封件的抗震性能直接關系到列車運行安全與維護成..
- 密封件材質有哪幾種?從丁腈橡膠到四氟:7大密封..
- 工業設備密封效能的核心在于?密封件材質?的科學選型,其性能直接決定系統在..
- PTFE密封件如何滿足制藥行業的無菌要求??
- 在無菌藥品生產中,密封系統需同時突破化學耐受性、微粒控制及微生物屏障三大..
- 泵閥密封件安裝專業指南:規避典型失效風險?
- 泵閥密封件?的安裝精度直接影響設備壽命與運行安全,統計分析顯示?60%的密封..
- 耐250℃高溫橡膠密封件熱穩定性?
- 在高溫工業設備密封領域,?橡膠密封件的熱穩定性?直接決定設備運行安全性與..
- 氟塑料制品與金屬復合制品對比研究?
- 在工業材料創新領域,氟塑料制品與金屬復合制品的性能對比始終是技術決策的關..
- 問題點?:液壓旋轉接頭泄漏?碳纖維增強密封件防..
- 液壓旋轉接頭作為工程機械的核心部件,其泄漏問題直接影響設備可靠性與使用壽..
- 食品級密封墊圈(EPDM墊片)產品案例 ? 食品機械..
- 食品級密封墊圈(EPDM墊片)在食品機械管道系統中扮演著至關重要的角色,其優異..
雙O型組合防塵圈DPR
- 代碼:雙O型組合防塵圈DPR
- 速度≤(m/s):5
- 溫度℃:-30/+200
- 材料:PTFE/NBR/FKM
- 介質:液壓油、阻燃液、水、氣
- 應用:油壓機,注射機,冶金設備,軋機
- 訂購熱線:400-0087-996
|
- 防塵系列,聚四氟乙烯密封件,油缸、氣缸行業專用密封件圈防塵圈防塵圈 雙O型組合防塵圈DPR
|
|
|
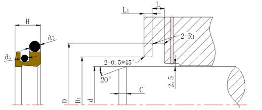
雙O型組合防塵圈DPR截面結構圖 - 防塵密封圈系列,聚四氟乙烯密封件,油缸、氣缸行業專用密封件圈 |
![]() |
| 密封件材料及密封件作用說明 | 防塵圈是除去往復運動活塞桿露在缸外部表面上所附著的塵土、灰砂、雨水及冰霜等污物,防止外部灰塵、雨水進入密封機構內部的部件。采用的密封材或定制為聚氨酯、橡膠、PTFE。 |
|
材料 Material |
設計標準或互換件 Standard or can fit the groove |
|||
| O圈 O ring | 滑環 slide ring | 設計選用時可參考:邁克密封件(Merkel公司)PT2系列標準。以上資料僅供參考。 | ||
|
標準設計 Standard |
NBR |
PTFE-青銅 PTFE-Bronze |
||
|
特殊Special l(on request) |
FKM |
PTFE-碳纖維 PTFE-carbon |
||
|
技術參數 Technical Data |
||||
|
壓力> Pressure[Mpa] |
溫度> Temperature(℃>) |
速度 Sliding speed(m/s) |
介質> Medium |
|
|
標準產品 tandard |
-30/+200 | 5 |
液壓油、阻燃液、水、氣 Minderal oil based hydraulic fluids, barely flammable hydraulic fluids,water,air and others. |
|
Installation Dimension table based on Metric Size
公制溝槽尺寸(mm)
軸徑 Diameter d=100mm DPR 100*122.2*6.3
訂貨號 Order Code DPR 100*122.2*6.3
| 軸徑 d h9 | 溝槽底徑 D H9 | H | 槽寬L+0.2 | L1 | D1 | O型圈線徑d1 | O型圈線徑d2 | R1≤ | C≥ |
| 100~295 | d+22.2 | 13.5 | 6.3 | 4.2 | d+10.7 | 3.55 | 5.3 | 1.2 | 5 |
| 300~560 | d+33 | 18.4 | 8.1 | 6.3 | d+15.1 | 5.3 | 7 | 1.2 | 5 |
| 700~1500 | d+36.5 | 19.8 | 9.5 | 6.3 | d+15.1 | 5.3 | 8.6 | 2 | 7 |
|
密封件作為密封配件之一,在工業生產行業中應用廣泛,且用量之大。有些企業都會儲備些常用的密封件以備不需之需。讓人擔心的事就是密封件保存環境,而東晟密封件告訴您……如何貯存密封件?如果密封件存儲不好的話,就會造成密封件大量浪費。下面具體看一下密封件都有哪些貯存條件,才能更好地保存密封件。 |
![]() |
|
一、避免高溫 密封件的存放室溫在30℃以下,避免密封件產生高溫老化;密封件必須避開強光照射,避免密封件被空氣中臭氧侵蝕或提早老化。各種密封其性能影響因素是不同的,如機械密封(填料密封等)影響因素有溫度、介質、磨損、所承受壓力等。 |
|
|
注:各種密封其性能影響因素是不同的,如機械密封(填料密封等)影響因素有溫度、介質、磨損、所承受壓力等。 |
|
|
雙O型組合防塵圈DPR產品展示 防塵密封圈系列,聚四氟乙烯密封件,油缸、氣缸行業專用密封件圈 |
|
|













